欢迎光临 : 上海闵邦电力科技有限公司 官网!
邮箱:245589194@qq.com 服务热线:15067800862

户内支柱绝缘子用于额定电压6~35kV户内电站,变电所配电装置及电器设备,用以绝缘和固定导电部分。
绝缘子适用于周围环境温度为-40℃~+40℃,安装地点海拔高度普通型不超过1000m,高原型不超过4000m。
绝缘子按胶装结构分为外胶装,内胶装和联合胶装三种结构型式,绝缘子按额定电压与抗弯强度等级分类如下:
|
额定电压 |
抗弯强度kN |
||
|
外胶装 |
内胶装 |
联合胶装 |
|
|
6 |
3.75,7.5 |
4 |
— |
|
10 |
3.75,7.5,20 |
4,(7),8,16 |
4 |
|
20 |
20 |
— |
30 |
|
35 |
— |
(7.5) |
4,(7.5),8 |
注:表中()表示非标准等级
绝缘子由瓷件和上、下金属附件用胶合剂胶装而成。瓷件端面与金属附件胶装接触部位垫有弹性衬垫,瓷件胶装部位分别采用上砂、滚花、挖槽等结构,以保证机械强度、防止松动、扭转。瓷件表面均匀上白釉,金属附件表面涂灰磁漆。
绝缘子瓷件主体结构有空腔隔板(可击穿式)结构和实心(不可击穿式)结构两种。联合胶装支柱绝缘子一般属实心不可击穿式结构。后一种结构比前一种结构提高了安全可靠性,减少了维护测试工作量。
绝缘子瓷件外形有多棱或少棱两种,多棱形增加了沿面距离,电气性能优于少棱形,除将逐步淘汰的外胶装支柱绝缘子外,其余产品均为多棱形。
内胶装结构,由于金属附件胶入瓷件孔内,相应的增加了绝缘距离,提高了电气性能,同时也缩小了安装时所占空间位置,但由于内胶装对提高机械强度不利,故机械强度要求较高的绝缘子,宜采用联合胶装(即上附件采用内胶装,下附件采用外胶装)。
户内支柱绝缘子按国标GB8287.1~8287.2《高压支柱瓷绝缘子》制造。
Z——户内外胶装支柱绝缘子;
ZN——户内内胶装支柱绝缘子;
ZL——户内联合胶装支柱绝缘子;
对于外胶装支柱绝缘子,破折号前字母L表示多棱式,字母A、B、D表示机械破坏负荷分别为3.75,7. 5,20kN。字母后分数,分子表示额定
电压千伏数,分母为机械破坏负荷kN数。
N——内胶装上下附件为单螺孔者;
Y——外胶装和联合胶装下附件为圆形者;
T——外胶装下附件为椭圆形者;
F——外胶装下附件为方形者;
G——高原型(老产品为GY)
|
型号 |
图号 |
主要尺寸mm |
重量kg |
|||||||||||||
|
H |
D |
h1 |
h2 |
h3 |
h4 |
h5 |
d |
d/b |
d3 |
d4 |
d5 |
a1 |
a2 |
|||
|
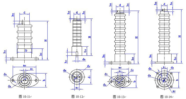
ZL-10/4G |
10-11 |
210 |
90 |
- |
60 |
18 |
- |
15 |
70 |
112 |
2-M8 |
- |
2-φ14 |
18 |
145 |
5.4 |
|
ZL-20/30 |
10-14 |
290 |
160 |
- |
110 |
- |
30 |
25 |
105 |
250 |
- |
M20 |
4-φ18 |
- |
250 |
24.6 |
|
ZL-35/4Y |
10-12 |
380 |
90 |
- |
60 |
8 |
20 |
25 |
62 |
114 |
2-M8 |
M10 |
M16 |
36 |
- |
6.2 |
|
ZL-35/4 |
10-13 |
380 |
90 |
- |
60 |
8 |
20 |
15 |
62 |
112 |
2-M8 |
M10 |
2-φ14 |
36 |
145 |
7.5 |
|
ZL-35/8 |
10-14 |
400 |
110 |
- |
65 |
12 |
25 |
14 |
68 |
160 |
2-M10 |
M16 |
4-φ14 |
46 |
180 |
11.2 |
|
ZLA-35GY |
10-13 |
445 |
100 |
- |
64 |
8 |
20 |
14 |
62 |
120 |
2-M8 |
M10 |
2-φ12 |
36 |
150 |
9.3 |
|
ZLB-35GY |
10-14 |
445 |
125 |
- |
70 |
12 |
25 |
14 |
68 |
- |
2-M10 |
M16 |
4-φ14 |
46 |
180 |
11.4 |
|
ZL-35/4G |
10-14 |
535 |
110 |
- |
65 |
12 |
25 |
18 |
68 |
- |
2-M10 |
M16 |
4-φ14 |
46 |
180 |
14.0 |
|
型号 |
额定电压kv |
工频电压kv r.m.s≮ |
全波冲击耐受电压kv peak≮ |
抗弯及抗拉破坏负荷kn≮ |
适用海拔高度m |
|
|
干耐受 |
击穿 |
|||||
|
ZL-10/4G |
10 |
67 |
107 |
114 |
4 |
~4000 |
|
ZL-20/30 |
20 |
68 |
- |
121 |
30 |
~1000 |
|
ZL-35/4Y |
35 |
110 |
- |
195 |
4 |
~1000 |
|
ZL-35/4 |
35 |
110 |
- |
195 |
4 |
~1000 |
|
ZL-35/8 |
35 |
110 |
- |
195 |
8 |
~1000 |
|
ZLA-35GY |
35 |
138 |
- |
244 |
4 |
~3000 |
|
ZLB-35GY |
35 |
138 |
- |
244 |
7.50 |
~3000 |
|
ZL-35/4G |
35 |
157 |
- |
279 |
4 |
~4000 |
|
产品型号 |
工厂代号 |
图号 |
主要尺寸mm |
弯曲破坏负荷KN |
工频干耐受电压KV |
雷电冲击耐受电压KV |
参考重量kg |
|||||
|
H |
D |
d1 |
d2 |
a |
b |
|||||||
|
ZL-10/4 |
P2221 |
1 |
160 |
72 |
M10 |
12 |
130 |
/ |
4 |
42 |
75 |
2.2 |
|
ZL-10/8 |
P2222 |
1 |
170 |
86 |
M16 |
14 |
145 |
/ |
8 |
42 |
75 |
4.6 |
|
ZL-10/16 |
P2223 |
2 |
185 |
110 |
M16 |
14 |
/ |
180 |
16 |
42 |
75 |
6.1 |
|
ZL-20/16 |
P2224 |
2 |
265 |
125 |
M16 |
14 |
/ |
210 |
16 |
68 |
125 |
15.2 |
|
ZL-20/30 |
P2225 |
2 |
290 |
160 |
M20 |
20 |
/ |
250 |
30 |
68 |
125 |
20 |
1. 订货时应注明型号及工厂代号。
2. 图号供参考,户内有公称爬距的瓷件带伞裙。