欢迎光临 : 上海闵邦电力科技有限公司 官网!
邮箱:245589194@qq.com 服务热线:15067800862

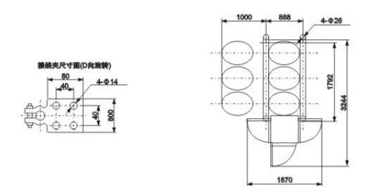
DW8-35高压多油断路器系三相交流50Hz户外高压电器设备,配用CD11-Ⅺ型直流电磁操动机构,适用于35kv输配电系统的控制和保护。每台产品只能附装两种CT(型号、电流比规格都完全相同时才是同一种CT),数量最多为12只。
|
项目 |
单位 |
数据 |
|
额定电压 |
KV |
35 |
|
额定工作电压 |
KV |
40.5 |
|
额定电流 |
A |
1000 |
|
额定开断电流 |
KA |
16.5 |
|
额定开断容量 |
MVA |
1000 |
|
额定关合电流(峰值) |
KA |
41 |
|
动稳定电流(峰值) |
KA |
41 |
|
4秒热稳定电流 |
KA |
16.5 |
|
自动重合闸无电流间隔时间 |
S |
0.5 |
|
额定操作循环 |
|
分0.5s-合分-180s-合分 |
|
机构额定合闸电压(直流) |
V |
110/220 |
|
机构合闸电流 |
A |
200、100 |
|
机构额定分闸电压(直流) |
V |
110/220 24/48 |
|
机构分闸电流 |
A |
5/2.5 37/18.5 |
|
瓷套泄漏比 |
cm/kv |
2.5 |
|
重量(无油) |
Kg |
1470 |
|
油重 |
kg |
380 |