|
概述及主要技术参数
ZW10-12/G系列户外高压真空断路器(以下简称“断路器”)用于交流50Hz、额定电压12kV的三相电力系统中,作为分、合负荷电流、过载电流及短路电流之用
1、内部采用了特殊的抗凝露措施,确保箱体内绝缘;
2、转动方式采用专利技术,安装方便、动作可靠,避免因机械故障影响断路的性能;
3、不充油、不充气、体积小、重量轻、无需检修。
4、分断电流大,无污染,无需检修。
5、操纵既可电动,也可手动。
二、主要技术参数
2.1额定参数
|
序号
|
项 目
|
单位
|
参 数
|
|
1
|
额定电压
|
KV
|
12
|
|
2
|
额定电流
|
A
|
630
|
|
3
|
额定频率
|
HZ
|
50
|
|
4
|
工频耐受电压
|
KV
|
42/48
|
|
5
|
雷电冲击电压(峰值)
|
KV
|
75/85
|
|
6
|
额定短路开断电流
|
KA
|
6.3
|
12.5
|
16
|
20
|
|
7
|
额定短路关合电流(峰值)
|
KA
|
16
|
31.5
|
40
|
50
|
|
8
|
额定短时耐受电流
|
KA
|
6.3
|
12.5
|
16
|
20
|
|
9
|
额定峰值耐受电流
|
KA
|
16
|
31.5
|
40
|
50
|
|
10
|
额定操作顺序
|
|
分—0.3S—合分—180S合分
|
|
11
|
额定短路电流开断次数
|
次
|
30
|
|
12
|
机械寿命
|
次
|
10000
|
|
13
|
动触头允许磨损累计厚度
|
mm
|
3
|
4
|
|
14
|
额定操作电压 配CT型弹簧操动机构
|
合闸线圈
|
V
|
直流或交流220V
|
|
分闸线圈
|
|
15
|
过流脱扣线圈额定工作电流
|
A
|
5
|
|
16
|
电流互感器一、二次电流比
|
|
100/5.200/5.300/5.400/5.630/5
|
|
17
|
储能电机
|
客定电压
|
V
|
直流或交流220V
|
|
功率
|
W
|
≤200
|
|
18
|
重量
|
Kg
|
150
|
2.2机械参数
|
序号
|
项 目
|
单 位
|
参 数
|
|
1
|
触头开距
|
mm
|
11±1
|
|
2
|
触头行程
|
mm
|
3±0.5
|
|
3
|
平均分闸速度
|
m/s
|
1±0.2
|
|
4
|
平均合闸速度
|
m/s
|
0.8±0.2
|
|
5
|
合闸弹跳时间
|
ms
|
≤3
|
|
6
|
三相分闸同期性
|
ms
|
≤2
|
|
7
|
三相合闸同期性
|
ms
|
≤3
|
|
8
|
合闸时间
|
ms
|
40-60
|
|
9
|
分闸时间
|
ms
|
30-50
|
|
10
|
每极主回路电阻
|
ms
|
≤200
|
|
11
|
相间中心距
|
|
220±1.5
|
|
12
|
合闸状态触头弹簧长度
|
mm
|
25.5
|
2.3隔离开关技术数据
|
序号
|
项 目
|
单 位
|
数 据
|
|
1
|
额定电压
|
KV
|
12
|
|
2
|
额定电流
|
A
|
630
|
|
3
|
4s热稳定电流(有效值)
|
KA
|
20
|
|
4
|
动稳定电流(峰值)
|
KA
|
50
|
|
5
|
1.2/50μs全波冲击电压(峰值)
|
KV
|
相对地75断口85
|
|
6
|
1min工频耐压
|
KV
|
42
|
|
7
|
各相导电回路电阻
|
μΩ
|
≤60
|
|
8
|
合闸手动操作力矩
|
Nm
|
≤150
|
|
9
|
触刀刚合位置偏斜
|
mm
|
≤2
|
|
10
|
导电部分对地绝缘距离
|
mm
|
≥160
|
|
11
|
断口开距
|
mm
|
≥200
|
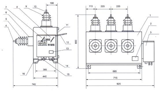
三、外形及安装尺寸

1、箱体 2、产品铭牌 3、操动机构 4、接线端字 5、绝缘子
6、电流互感器 7、分合指针 8、储能指针 9、绝缘子 10、接线端子
11、后盖板 12、手动储能摇柄 13、手动机构铭牌 14、手动合闸拉环
15、手动合闸拉环 16、接地螺栓

|