欢迎光临 : 上海闵邦电力科技有限公司 官网!
邮箱:245589194@qq.com 服务热线:15067800862

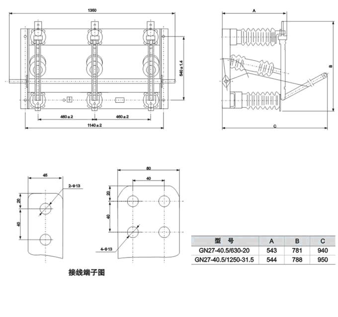
GN27-40.5户内高压隔离开关,是三相交流50Hz的高压开关设备,用于电压35kv的电力系统中,作为有电压无载的情况下分、合电路之用。配用CS6-2手动型操动机构或CX6电动机构。
1.设计科学、合理、结构新颖;
2.多触点,旋转式接触,自清扫能力好,提高散热能力;
3.接触点在两个面内,操作力矩小、耐压力大,易调整;
4.采用在爬距,加强绝缘能力、耐受电压均满足最高要求;
5.在转轴上加装轴承,使用寿命提高,操作轻便。
|
型号 |
额定电压kv |
额定电流A |
额定短时耐受电流有效值/时间 KA/4s |
额定峰值耐受电流kA |
雷电冲击耐受电压kV |
1min工频耐受电压Kv |
||
|
对地及极间 |
断口 |
对地及极间 |
断口 |
|||||
|
GN27-41.5CD/630-20 |
40.5 |
630 |
20/4S |
50 |
185 |
215 |
95 |
115 |
|
GN27-41.5CD/1250-31.5 |
40.5 |
1250 |
31.5/4S |
80 |
185 |
215 |
95 |
115 |