欢迎光临 : 上海闵邦电力科技有限公司 官网!
邮箱:245589194@qq.com 服务热线:15067800862

概述
Summary
FN7-12DR 型交流高压负荷开关(以下简称负荷开关)是一种新型产气式户内高压负荷开关,适用于交流50HZ,额定电压12KV的三相交流电力系统中,作为开断负荷电流及关合短路电流之用。
FN7(C)-12型系列高压负荷及熔断器组合电器是在FN7-12系列高压负荷开关的基础上,增加侧面操作机构、使得安装更加简捷方便,能够满足广大用户的不同要求。
FN7-12DR is used in three-phase AC power network of AC 50Hz、rated voltage 12KV for breaking load current and controlling short-circuit current.
FN7(C)-12 type H.V load switch and fuse box is basied on the FN7-12 series H.V load switch. with operating mechanism. Make the installation more simpler. Can meet orders needs.
型号含义
Type and meaning
|
额定电流(400,630A)
电动分闸装置(有:F, 无:空) 撞击熔断器(有:A, 无:空) 熔断器 负荷开关与接地开关联锁装置(有:L, 无:空) 接地开关位置(进线端:S,出线端:X) 接地开关 额定电压(KV) 设计序号 户内负荷开关
Rated current
Off device by motor(with:F without:blank) Striking fuse box (with:F without:blank) fuse box Interlock gear between load switch and earth switch(with:L,without:blank) Earth switch position(wire-in end:S,wire-out end:X) Earth switch Rated voltage Designed number Indoor load switch |
正常工作环境
Normal Serviec Condition
概述
Summary
|
类别 Classification |
全型号 Full type |
DS 接地开关在线端
Earth switch at |
DK 接地开关在线端
Earth switch at |
L 联锁装置 Interlock device |
R 熔断器 Fuse box |
RA 撞击式熔断器 String fuse box |
F 电动分闸装置
Off device by |
|
无脱扣器 Without tripper |
FN7-12 | — | — | — | — | — | — |
| FN7-12DSL | △ | — | △ | — | — | — | |
| FN7-12DXL | — | △ | △ | — | — | — | |
| FN7-12R | — | — | — | △ | — | — | |
| FN7-12DSLR | △ | — | △ | △ | — | — | |
| FN7-12DXLR | — | △ | △ | △ | — | — | |
|
带撞击脱扣器 With striking tripper |
FN7-12RAF | — | — | — | — | △ | △ |
| FN7-12DSLRAF | △ | — | △ | — | △ | △ | |
| FN7-12DXLRAF | — | △ | △ | — | △ | △ |
额定参数
Specified parameter
|
额定电压(KV) Rated voltage |
最高电压(KV) Max.voltage |
额定电流(A) Rated current |
1min 工频耐压(KV) 1min power frequency withstand voltage |
4S热稳定电流(有效值)(KA) 4S heat-stabling current(value) |
动稳定电流(峰值)(KA) Machine stabling current(peak) |
短路关合电流(KA) Short-circuit controlling current |
额定开断电流(A) Rated switch-off current |
额定转移电流(A) Rated transfer current |
| 12 | 12 | 400 | 42/48 | 12.5 | 31.5 | 31.5 | 400 | 1000 |
| 630 | 42/48 | 20 | 50 | 50 | 630 | 1000 |
熔断器额定参数
Rated parameter of fuse box
|
型号 Rated voltage |
额定电压(KV) Rated current |
额定电流(A) Rated switch-off current |
熔体的额定电流(A) Fuse body rated current |
| SDLA*J | 12 | 40 | 6.3,10,16,20,25,31.5,40 |
| SFLA*J | 12 | 100 | 50,63,71,80,100 |
| SKLA*J | 12 | 125 | 125 |
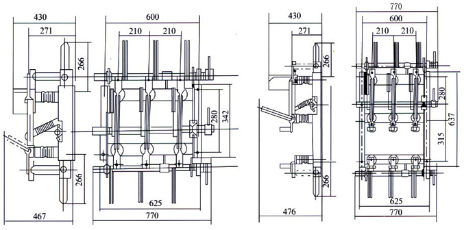
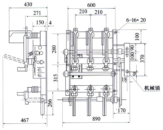
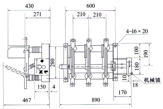
外形及安装图
Appearance installation diagram
|
||
|
图1、无脱扣器 "线路" 负荷开关 Diagram 1.Load switch without tripper "line" |
图2、无脱扣器 "变压器保护" 负荷开关 Diagram 2.Load switch tripper "transformer protection" |
|
|
||
|
图3、脱扣器撞击负荷开关 Diagram 3.Load switch with tripper striker |
图4、CS6操作机构安装示意图 Diagram 4.Installation diagram of CS6 operating mechanism |
|
|
||
|
FN7(C)-12高压负荷开关 FN7(C)-12 H.V.Load Switch |
||
|
||
|
FN7(C)-12高压负荷开关与熔断器组合电器 FN7(C)-12 H.V.Load Switch with Fuse and without fuse |
||